OpenHarmony开发者论坛
标题:
润和HiHope3861 UDP广播人体传感器数据
[打印本页]
作者:
离北况归
时间:
2023-10-17 15:31
标题:
润和HiHope3861 UDP广播人体传感器数据
[md]- 笔者最近拿润和HiHope Pegasus(也叫做wifiiot_hispark_pegasus)开发套件进行OpenHarmony轻量系统开发,以此篇文章分享学习经验。
- 本文实现了用润和HiHope Pegasus 3861 UDP 广播人体红外传感器数据,样例demo下载链接:
https://gitee.com/from-north-to- ... 0%E6%84%9F%E5%99%A8
- 样例运行的OpenHarmony源码环境下载:
https://gitee.com/HiSpark/hi3861_hdu_iot_application
---
- 通过本文您将了解:
1、HiHopePegasus 3861 连接wifi
2、HiHopePegasus 3861 人体红外传感器的使用
3、HiHopePegasus 3861 UDP广播
@[toc](目录)
# 1. UDP广播人体红外传感器数据 样例运行效果
- 人体红外感应器感应到人体后,通过UDP广播 数据1(否则为0)
> 注意:炫彩灯板上人体红外感应传感器响应速度比较慢


- 样例运行效果演示视频 :
https://gitee.com/from-north-to- ... %A7%86%E9%A2%91.mp4
# 2. 运行步骤
- 2.1 下载
https://gitee.com/from-north-to- ... 0%E6%84%9F%E5%99%A8
,将BUILD.gn、udp_broadcast_human_infrared_demo.c、wifi_connecter.c、wifi_connecter.c、wifi_connecter.h、文件放置在命名为 udp_broadcast_human_infrared 的文件夹下,将其放置在OpenHarmony轻量系统源码 applications\sample\wifi-iot\app目录下。
- 2.2 在源码 applications\sample\wifi-iot\app\BUILD.gn文件features 字段下添加"udp_broadcast_human_infrared:udp_broadcast_human_infrared_demo",使样例demo加入编译。
- 2.3 在样例demo的udp_broadcast_human_infrared_demo.c中设置要连接的wifi信息

- 编译烧录后在pc端使用tcp/udp调试工具 SocketTool 创建udp group。组播地址为255.255.255.255,组播端口为8080。

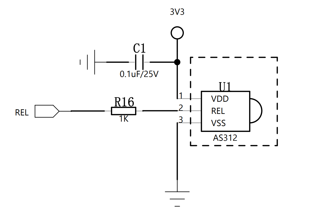
# 3. 炫彩灯板上人体红外感应传感器与主控芯片(Pegasus)引脚的对应关系
- 人体红外传感器——ADC采集值反应是否有人靠近 GPIO07: ADC3
- 查看硬件原理图可知 炫彩灯拓展板上的人体红外感应传感器型号为AS312,REL引脚查看底板硬件图可知 通过GPIO 07连接到Hi3861v100芯片。(VDD表示工作正电压,VSS表示工作负电压)


# 4. 样例源码解析
```
// 人体红外感应传感器使用到的头文件
#include "hi_gpio.h"
#include "hi_io.h"
#include "hi_adc.h"
#include "hi_errno.h"
// 用hi_adc_read读取ADC通道的值
hi_u16 value = 0 ;
hi_adc_read(HI_ADC_CHANNEL_3, &value,HI_ADC_EQU_MODEL_4, HI_ADC_CUR_BAIS_AUTO, 0) ;
// (unsigned int)value 将value由hi_u16转换为unsigned int类型
printf("ADC_VALUE = %u\n", (unsigned int)value);
// 人体红外感应传感器检测到人体时,ADC通道的值大于950,udp广播1
char *i;
if(value > 950){
i="1";
}else{
i="0";
}
// udp发送数据
ret = sendto(sock_fd, i, strlen(i), 0, (struct sockaddr *) &broadcast_addr, broadcast_addr_len);
```
# 5. 附赠: 润和3861 UDP广播可燃气体传感器样例 下载链接
https://gitee.com/from-north-to- ... 0%E6%84%9F%E5%99%A8
[/md]
欢迎光临 OpenHarmony开发者论坛 (https://forums.openharmony.cn/)
Powered by Discuz! X3.5